Описание

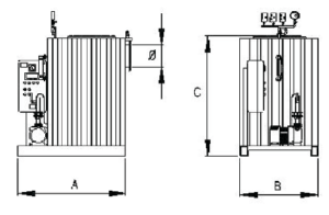
| Производство пара | Мощность | Мощность | Длина | Ширина | Высота | Вес | Дымоход |
|---|---|---|---|---|---|---|---|
| [кг/ч] | [ккал/ч] | [кВт] | A [мм] | В [мм] | С [мм] | [кг] | о [мм] |
| 500 | 300.000 | 350 | 1.700 | 1.200 | 2.100 | 1.500 | 250 |
Серия паровых котлов 500 кг пара/час состоит из вертикальных котлов, разработанных специально для предприятий нуждающихся в небольшом количестве пара (прачечные, гладильные цеха и т.д.)
Данные котлы комплектуются всей необходимой оснасткой для надежной и экономичной работы (в объем поставки входят также электрическая панель управления, питательный насос, арматура).Данные котлы могут комплектоваться любыми газовыми или дизельными горелками.
Благодаря маленькому объему котловой воды выход на режим осуществляется очень быстро гарантируя высокий КПД даже при работе в пиковом режиме.

| Производство пара | Мощность | Мощность | Длина | Ширина | Высота | Вес | Дымоход |
|---|---|---|---|---|---|---|---|
| [кг/ч] | [ккал/ч] | [кВт] | A [мм] | В [мм] | С [мм] | [кг] | о [мм] |
| 500 | 300.000 | 350 | 1.700 | 1.200 | 2.100 | 1.500 | 250 |